
03275《汽车电器与电子设备》复习指导书
国家开放大学汽车学院
汽车检测与维修技术专业(专科)辅助教材
汽车技术服务与营销专业(专科)辅助教材
汽车电器与电子设备
复习指导书
学校名称:
学生姓名:
学生学号:
班 级:
TOC o "1-3" h z u 第1章汽车蓄电池及其检测维修... PAGEREF _Toc452216224 h 4
一、掌握... PAGEREF _Toc452216225 h 4
二、理解... PAGEREF _Toc452216226 h 4
三、了解... PAGEREF _Toc452216227 h 4
第2章汽车充电系统及其检测维修... PAGEREF _Toc452216228 h 4
一、掌握... PAGEREF _Toc452216229 h 4
二、理解... PAGEREF _Toc452216230 h 5
三、了解... PAGEREF _Toc452216231 h 5
第3章汽车启动系统及其检测维修... PAGEREF _Toc452216232 h 5
一、掌握... PAGEREF _Toc452216233 h 5
二、理解... PAGEREF _Toc452216234 h 5
三、了解... PAGEREF _Toc452216235 h 5
第4章汽车点火系统的检测与维修... PAGEREF _Toc452216236 h 6
一、掌握... PAGEREF _Toc452216237 h 6
二、理解... PAGEREF _Toc452216238 h 6
三、了解... PAGEREF _Toc452216239 h 7
第5章汽车照明与信号系统... PAGEREF _Toc452216240 h 7
一、掌握... PAGEREF _Toc452216241 h 7
二、理解... PAGEREF _Toc452216242 h 7
三、了解... PAGEREF _Toc452216243 h 7
第6章汽车电器仪表及显示系统... PAGEREF _Toc452216244 h 7
一、理解... PAGEREF _Toc452216245 h 8
二、了解... PAGEREF _Toc452216246 h 8
第7章汽车附件及其维修... PAGEREF _Toc452216247 h 8
一、掌握... PAGEREF _Toc452216248 h 8
二、了解... PAGEREF _Toc452216249 h 8
第8章汽车空调系统... PAGEREF _Toc452216250 h 8
一、掌握... PAGEREF _Toc452216251 h 8
二、理解... PAGEREF _Toc452216252 h 9
三、了解... PAGEREF _Toc452216253 h 9
第9章汽车整车电路... PAGEREF _Toc452216254 h 9
一、掌握... PAGEREF _Toc452216255 h 9
二、理解... PAGEREF _Toc452216256 h 9
第10章汽车安全气囊系统... PAGEREF _Toc452216257 h 9
一、理解... PAGEREF _Toc452216258 h 9
二、了解... PAGEREF _Toc452216259 h 10
第11章汽车电器系统新技术... PAGEREF _Toc452216260 h 10
一、理解... PAGEREF _Toc452216261 h 10
二、了解... PAGEREF _Toc452216262 h 10
复习题... PAGEREF _Toc452216263 h 10
一、单项选择题... PAGEREF _Toc452216264 h 10
二、多项选择题... PAGEREF _Toc452216265 h 14
三、判断题... PAGEREF _Toc452216266 h 15
四、简答题... PAGEREF _Toc452216267 h 16
五、分析论述题... PAGEREF _Toc452216268 h 16
习题参考答案... PAGEREF _Toc452216269 h 17
一、单项选择题... PAGEREF _Toc452216270 h 17
二、多项选择题... PAGEREF _Toc452216271 h 17
三、判断题... PAGEREF _Toc452216272 h 17
四、简答题... PAGEREF _Toc452216273 h 18
五、分析论述题... PAGEREF _Toc452216274 h 20
汽车电器设备及维修学习辅导
“汽车电器与电子设备”是国家开放大学汽车检测与维修技术、汽车技术服务与营销专业(助力计划专科)的专业必修课,共11章内容。同学们学习时应抓住重点,围绕基本概念和基本方法进行学习,下面逐章指出各章的重点,希望能对大家的学习提供一定的帮助。
第1章汽车蓄电池及其检测维修
本章介绍了阐述了蓄电池的作用、类型、结构、工作原理以及检查方法。具体要求如下:
一、掌握
1. 蓄电池正确使用及检测维护的方法;
2. 汽车用蓄电池的类型、特点和作用。
二、理解
1. 蓄电池的工作原理、充放电过程的化学反应;
2. 免维护蓄电池的特点。
三、了解
1. 蓄电池的容量以及影响蓄电池容量的因素;
2. 组成普通蓄电池各个部分元件的基本构造;
3. 蓄电池的常见故障和排除方法。
第2章汽车充电系统及其检测维修
本章重点讲述了车用直流发电机的构造、类型、工作原理和性能特性,同时也指出了车用发电机的测试维护和常见故障的排除方法。具体要求如下:
一、掌握
1. 掌握电压调节器的分类和基本电压调节原理;
2. 掌握交流发电机向蓄电池充电的基本原理;
3. 掌握电压调节器的正确使用方法、基本检测和维修方法,包括直观,检测方法、仪表检测方法、间隙调整方法。
二、理解
1. 试验台和车上检测交流发电机的方法,包括零部件的检测方法;
2. 交流发电机的性能测试方法,包括空载特性和负载特性检测。
三、了解
1. 了解汽车用发电机的种类,交流发电机同直流发电机相比的优点,交流发电机的分类;
2. 了解汽车用二相交流发电机的结构及各组成部分的作用;
3. 了解交流发电机的发电原理、硅整流二极管的整流原理、种类;
4. 了解交流发电机的型号;
5. 了解交流发电机的特性、各特性的特点和优点;
6. 了解新型交流发电机的结构和特点。
第3章汽车启动系统及其检测维修
本章讲述了汽车起动机的结构和工作原理,介绍了启动机的工作特性和系统基本测试方法,介绍了新型启动机以及启动机的使用维护和故障排除方法,。具体要求如下:
一、掌握
1. 掌握启动系统的正确使用、维护方法、分解和清洗方法;
2. 掌握启动系统的检测方法;
3. 掌握启动系统的性能试验方法;
4. 掌握常见启动系统的故障检查和排除方法。
二、理解
1. 启动系统的电路原理。
二、了解
1. 了解汽车启动系统的种类、基本组成和作用;
2. 了解直流电动机的结构和工作原理、转矩自动调节原理、转矩特性、转速特性和功率特性;
3. 了解启动系统传动机构的结构、种类和工作原理;
4. 了解启动系统控制机构的结构、种类和工作原理;
5. 了解新型启动系统的基本结构和特点。
第4章汽车点火系统的检测与维修
本章讲述了汽车点火系统的要求,传统点火系统、电子点火系统以及微机点火系统的工作原理和特点,点火系统的维护和故障检测排除方法。具体要求如下:
一、掌握
1. 对点火系的要求;
2. 传统点火系的组成;
3. 点火系统的作用和分类;
4. 传统点火系统的基本组成、各部分的作用及工作原理;
5. 电子点火系统的分类、结构和工作原理;
6. 点火提前角常用的检测方法;
7. 影响点火提前角的因素;
8. 何谓点火提前角、点火提前角过大过小有何影响;
9. 点火系统的维护要点。
二、理解
1. 点火线圈的类型、作用及初级、次级线圈的直径、匝数;
2. 火花塞电极的间隙;
3. 热型和冷型火花塞;
4. 传统点火系的工作过程;
5. 离心式点火提前机构如何工作;
6. 真空式点火提前机构如何工作;
7. 磁感应式无触点电子点火系统组成;
8. 磁感应式无触点电子点火系统工作过程;
9. 霍尔发生器的结构及工作原理;
10. 光电式点火系统的结构;
11. 光电式点火系统的工作过程;
12. 微机控制点火系统的组成;
13. 微机控制点火系统包括哪些控制;
14. 微机控制点火系统的主要电路;
15. 点火正时的调整步骤。
三、了解
1. 分电器的组成及各部分的作用;
2. 断电器触点的间隙、配电器分火头导电片与旁电极的间隙;
3. 电容器的容量。
第5章汽车照明与信号系统
本章介绍了汽车照明及信号系统,以及前照灯和转向信号灯的常见故障和检测维修方法,具体要求如下:
一、掌握
1. 转向信号灯闪光器的种类、工作原理;
2. 前照灯的正确使用方法、常见的故障和排除方法。
二、理解
1. 了解汽车常用灯光系统的种类和用途。
三、了解
1. 了解前照灯的结构、组成、光学原理、种类;
2. 了解前照灯防止眩目的方法、配光的常见类型;
3. 了解光线照明装置的结构和工作原理;
4. 了解汽车喇叭的种类、工作原理。
第6章汽车电器仪表及显示系统
本章介绍了传统汽车仪表的组成和工作原理和当前普遍电子仪表。具体要求如下:
一、理解
1. 理解汽车常用灯光系统的种类和用途。
二、了解
1. 了解仪表的分类、常见仪表及传感器类型;
2. 了解电流表的基本结构、类型和工作原理;
3. 了解水温表的基本结构、类型和工作原理;
4. 了解燃油表的基本结构、类型和工作原理;
5. 了解车速里程表的基本结构、类型和工作原理;
6. 了解数字化仪表的显示器件类型和工作原理。
第7章汽车附件及其维修
本章重点讲述了汽车电器附件如电动刮水器、电动车窗、电动后视镜、电动中央门锁、电动座椅、防盗系统和中央接线盒等的作用和工作原理。具体要求如下:
一、掌握
1. 掌握电动刮水器的结构和原理,间歇刮水、自动回位的实现方法和电路基本原理,常见的故障及其排除方法。
二、了解
1. 了解汽车附件电器设备的种类和作用;
2. 了解电动后视镜的构造、原理、基本电路、常见故障和排除方法;
3. 了解电动中央门锁的控制机构、执行机构常见类型、工作原理、常见故障和排除方法;
4. 了解电动座椅的结构、控制电路原理、常见故障和排除方法。
第8章汽车空调系统
本章讲述了汽车空调系统的组成、结构、工作原理和系统检测方法和常见故障的诊断和排除。具体要求如下:
一、掌握
1. 空调系统的工作原理;
2. 空调系统的常见故障和排除方法。
二、理解
1. 空调系统的基本组成;
2. 空调系统各部分零部件的作用和类型。
二、了解
1. 汽车空调系统的作用;
2. 新型压缩机的结构和原理;
3. 冷气空调和暖风空调的布置形式;
4. 空调自动调节系统的控制原理。
第9章汽车整车电路
汽车电器设备总线路,就是将电源、启动系、点火系、照明、信号、仪表、电子控制装置以及辅助电器装置等,按照它们各自的工作特性以及相互间的内在联系,通过开关、保险器用导线连接起来构成一个整体。汽车电器设备总线路的布置虽然因车而异,但都存在一定的规律性。了解汽车电器线路的内在联系和熟悉全车电气线路,对正确使用、保证汽车安全可靠都有十分重要的意义。具体要求如下:
一、掌握
1. 掌握汽车电路原理图、线路连接图的识别方法。
二、理解
1. 汽车电路的基本特点、组成;
2. 汽车电路图元件的表示方法;
3. 汽车线束的特点和相关标准。
第10章汽车安全气囊系统
本章讲述汽车安全气囊的作用和种类、安全气囊的基本组成、工作原理及常见故障和排除方法。具体要求如下:
一、理解
1. 安全气囊的基本工作原理、传感器类型、执行机构类型和工作原理;
2. 常见的故障和排除方法。
二、了解
1. 了解安全气囊的基本组成、各组成部分的作用;
2. 了解汽车安全气囊的作用和种类。
第11章汽车电器系统新技术
本章讲述汽车电器系统的发展方向、重点讲解了车身控制模块BCM和车辆通讯技术。具体要求如下:
一、理解
1. BCM 的基本概念;
2. 汽车舒适性系统的组成、类型和功能。
二、了解
1. 了解汽车电器系统的发展方向;
2. 了解新的汽车电器技术、作用和特点;
3. 了解汽车网络的发展、现状和基本原理。
复习题
一、单项选择题
1. 启动汽油车发动机时,蓄电池可在短时间内给启动机提供( )的启动电流。
A. 10A-60A B. 100A-150A
C. 200A - 600A D. 600A - 1000A
2. 蓄电池完全充电后其电解液的密度通常为( ) g/Cm'。
A. 0.917- 1.1 B. 1.9417-2.30
C. 1.12817 -1.130D. 1.27
3. 免维护蓄电池汽车行驶( )km 无需添加蒸馏水。
A. 80 B. 800
C. 8000 D. 80000
4. 从汽车上拆一蓄电池时,首先应拆下( )电缆;将蓄电池安装在汽车上时,应首先安装( )电缆。
A. 负极正极 B. 正极负极
C. 正极正极 D. 负极负极
5. 用指针式万用表Rx1 挡检测单个二极管时,其正向电阻值应在( ) Ω之间,反向应在10KΩ以上。
A. 2 – 3B. 8 -10
C. 20 - 30 D. 200 - 300
6. 硅整流发电机的每相定子绕组通常用( )个二极管整流。
A. 1 B. 2
C. 6 D. 9
7. 交流发电机中防止蓄电池的反向电流的零部件为( )。
A. 电刷B. 电压调整流器
C. 逆流截断器D. 整流器
8. 如果蓄电池的正负极电缆接反,发电系统的( )将会损坏。
A. 电压调节器B. 电刷
C. 整流器D. 定子绕组
9. 直流串励式启动机在空载时,电流最小,转速达到最大值,功率为()。
A. 最大值B.额定功率
C. 最大功率D. 零
10. 由于采用减速装置,所以可以增大驱动齿轮的( )。
A. 转速B. 转矩
C. 功率D. 效率
11. 永磁式启动机是将( )用永久磁铁取代。
A. 电枢绕组B. 励磁绕纽
C. 吸引线圈D. 保持线圈
12. 启动机运转无力,蓄电池方面可能是( )故障。
A. 通气孔堵塞B. 极桩接头接触不良
C. 联条烧断D. 电解液液面过低
13. 发动机启动时启动电流通过()进入启动机。
A. 点火开关B. 启动继电器
C. 吸引线圈D. 电磁操纵开关内的接触盘
14. 根据发动机负荷变化而自动调节点火时间的机构是( )。
A. 真空提前装置B. 辛炕值选择器
C. 离心提前装直D. 配电器
15. 断电器( )地接通和切断点火线圈( )绕组的电流( )。
A. 无规律,初级 B. 周期性,次级
C. 周期性,初级 D. 无规律,次级
16. 在电子点火系统中,控制初级电流通断的元件是( )。
A. 触点B. 二极管
C. 电容器D. 三极管
17. 普通双丝灯泡前照灯的近光灯丝位于反射焦点的( )。
A. 下方B. 上方
C. 右方 D. 左方
18. 开前照灯后,灯光暗淡的原因是( )。
A. 熔断器断开或熔丝熔断B. 灯丝烧断
C. 接头松动或锈蚀D. 调节器电压过高
19. 前照灯中的近光灯一般为( )。
A. 15W - 20W B. 20W - 55W
C. 32W - 40W D. 60W
20. 制动灯的颜色为( )。
A. 黄色B. 蓝色
C. 白色 D. 红色
21. 电喇叭音调调节应调整( )。
A. 动盘与铁芯的气隙 B. 调节螺母增大或减小触点压
C. 电容器 D. 共鸣盘
22. 雾灯的颜色为( )。
A. 红色 B. 蓝色
C. 黄色 D. 白色
23. 雾灯安装位置较低,一般离地面约( )cm 左右。
A. 10 B. 15C. 30 D. 50
24. 热敏电阻式水温表感温室内的感温件是一种( )。
A. 热敏电阻 B. 正温度系数热敏电阻
C. 负温度系数热敏电阻 D. 金属膜电阻
25. 永磁电动刮水器调速是靠( )。
A. 改变两电刷间的导体数B. 改变磁通
C. 改变电源极性 D. 改变电机常数
26. 防止汽车电器设备对无线电干扰的措施是( )。
A. 提高电压B. 提高电流
C. 加装阻尼电阻D. 加装二极管
27. 刮水器电动机的转速与( )有关。
A. 电源电压B. 温度 C. 湿度 D. 转矩
28. 驱动空调的三角橡胶皮带应具有一定的松紧度,一般按下应有( )mm 的距离为正常。
A. 20mm B. 15mm C. 10mm D. 5mm
29. 用高压表测试空调系统高压时,一般正常值应在( )之间。
A. O.5MPa - 1MPa B. lMPa - 1.37MPa
C. 1.37MPa - 1.57MPa D. 1.57MPa - 2MPa
30. 用低压表测试空调系统低压管路压力时,一般正常值应在( )之间。
A. O.15MPa - O.25MPa B. O.25MPa - O.3MPa
C. O.3MPa - O.4MPa D. O.4MPa - O.5MPa
31. 电路图中在电路的中断处(或线的上方)有"一1.0R一" (或1.OR), "1.0" 表示该导线( )。
A. 标称截面积为1.Omm2B. 标称截面积为O.1mm2
C. 是红色的D. 是黑色的
32. 大部分用电设备都通过(),形成许多条并联的支路。
A. 继电路B. 配电器
C. 电容器D. 熔丝盒
33. 电路图上部的4 根导线分别标以" 30" 、"15" 、"X" 、"31" ,其中"30" 表示( )。
A. 常火线B. 小容量电器的火线
C. 接大容量电器的火线D. 接地线
34. 线束端子一般由黄铜、紫铜、铝材料制成,它与导线的连接均采用( )的方式。
A. 焊接B. 插接 C. 冷钳压合D. 缠绕
35. 正面安全气囊引爆的有效范围为( )角。
A. ±10°B.±20° C. ±30° D. ±40°
36. 一般汽车的安全气囊在汽车以()以上的速度正面碰撞刚性物体才起作用。
A. 5km/h B. 10km/hC. 15km/h D. 20km/h
37. 如果安全气囊或引爆装置从高于()处掉到地上,它们就不能再装车使用。
A. 0.2m B. O. 3m C. 0.4mD. 0.5m
38. 现代高档轿车各控制单元间的所有信息都通过( )根数据线进行交换,即CAN 总线。
A. 1B. 2C. 3 D. 4
39. CAN 总线采用两条线是( )的形成。
A. 平行B. 交叉
C. 缠绕在一起D. 垂直
40. 如果CAN 总线一条线的电压是5V,则另一条线就是( )。
A. OV B. 1vC. 2V D. 3V
二、多项选择题
1. 某发电机不发电,可能的原因有 ( )。
A. 整流器中的一个二极管损坏B. 定子绕组有接地处
C. 集成电路电压调节器损坏D. 电刷连接导线在焊接处断裂
2. 启动机不转的原因可能是( )。
A. 单向离合器打滑B. 启动继电器触点烧断
C. 启动电路有断路处D. 启动主电路开关闭合过早
3. 点火正时不对,可能导致( )。
A. 发动机的功率降低 B. 发动机过热
C. 点火高压低D. 断电器触点烧蚀
4. 汽车上普遍采用的塑料片式熔断器常有( )。
A. 3A B. 1A C. 10AD. 15A E. 20A
5. 下列保险装置哪些是一次性保险装置( )。
A. 手动双金属保险装置 C. 片式熔断器
B. 玻璃管式熔断器D. 易熔线
6. 汽车空调系统由( )三部门组成。
A. 通风装置 B. 采暖装置
C. 制冷装置 D. 自动检测装置
7. 汽车空调常用的压缩机有( )等。
A. 往复式B.斜板式 C. 翼片式D. 旋转式 E.斜盘式
8. 以下哪些部件是汽车空调系统的组成部分 ( )。
A. 冷凝器B. 压缩机 C. 蒸发器D. 储液干燥器 E.节流管
9. 检查空调系统渗漏的方法有哪些()。
A. 浓肥皂水或浓洗衣粉水B. 电子捡漏仪
C. 加压测试 D. 卤素测试 E. 真空测试
10. 一般电路的基本组成有()。
A. 负荷B. 电源 C. 开关D. 电容 E.连接导线
11. 每条数据的传递应经 ()数据5 个过程。
A. 接受 B. 提供 C.发送 D.接收 E. 检查 F反馈
12. 易熔线设有()4 种颜色。
A. 棕 B. 绿 C. 红 D. 黑 E. 黄
13. 中央接线盒由( )等组成。
A. 中央接线板 B. 各种继电器 C. 熔断器 D. 塑料壳体 E. 电阻
14. 空调的制冷循环是由( )几个过程组成。
A. 压缩 B.放热 C.节流 D.吸热 E. 干燥
15. 可通过空调视液窗内观察下列哪些故障?( )
A. 制冷剂不足B. 制冷剂过多
C. 制冷刘中有润滑油D. 制冷剂中有杂质
16. 常见汽车使用的电缆线有()等。
A. 高压线B. 低压线 C. 屏蔽线D. 绝缘线
17. 交流发电机由()等部分组成。
A. 转子 B. 定子 C. 皮带轮 D. 前后端盖 E. 风扇
18. 离心式点火提前装置根据发动机转速变化,自动调节点火提前角,说法正确的是( )。
A. 转速增高,点火提前角自动增大。 B. 转速增高,点火提前角自动减小。
C. 转速减小,点火提前角自动增大。 D. 转速减小,点火提前角自动减小。
19. 电动座椅一般由( )等组成。
A. 双向电动机 B.传动装置 C.座椅调节器 D.蓄电池
20. 电路图可以用来表示电路中( )。
A. 接线的实际位置 B.线路走向 C.线型色码 D.零部件位置
21. 正面SRS气囊系统可保护人员()。
A. 颈部 B.腰部 C.头部 D.腿部
22. 下面对继电器描述正确的是( )。
A. 用小电流控制大电流 B. 将电能转换成机械运动
C. 储存电荷,然后再释放 D. 保护电路
23. 发动机运转时,如果机油压力警报灯一直亮,可能的原因是( )。
A. 机油泵不工作 B. 机油压力过低
C. 机油过少 D. 机油粘度太稀
24. 关于串联并联电路在汽车上的应用,哪些说法对( )。
A. 有的车将两个前照灯串联,作为白昼行车灯。
B. 两个电子冷却风扇串联,这时风扇高速运转
C. 两个电子冷却风扇并联,这时风扇高速运转
D. 汽车电器通常是并联工作
25. 一辆轿车,右转向信号灯工作正常,左侧转向灯快速闪烁,左侧信号灯泡都是好的。哪些说法对。( )
A. 信号灯开关与右前信号灯之间导线可能接地
B. 左前信号灯与接地之间电阻可能过大
C. 转向灯快速闪烁意味着转向灯电路有故障
D. 正常闪烁频率通常在70-90次/分钟。
26. 电路中要形成电流必需具备( )。
A. 开关 B. 电源 C. 闭合电路 D. 继电器
27. 一辆马自达车辆在制动时,左侧制动灯正常,但右侧制动灯不亮,可能的原因有( )。
A. 制动开关故障 B. 灯泡坏了
C. 制动开关与地线短路 D. 保险损坏
28. 一般工作电流大、工作时间短的用电设备的电流可经过( )。
A. 开关 B. 熔断器 C. 继电器 D. 电流表
三、判断题
1. 蓄电池与用电设备是串联连接的。( )
2. 免维护蓄电池与普通蓄电池比较,自放也多。( )
3. 未来汽车将使用42V 电气系统。( )
4. 交流发电机的输出电流是随汽车发动机转速变化而变化的。( )
5. 充电指示灯灭就是发电机有故障而不发电. ( )
6. 启动机在主电路接通后,保持线圈被短路。( )
7. 启动中,启动机电磁开关中的吸引线圈不工作。 ( )
8. 由于采用减速装置,所以启动机可以采用高转速电动机。( )
9. 由于采用启动保护继电器,所以不需要单向离合器。 ( )
10. 某启动机转速为750r/min ,发动机转速为50r/min ,其传动比为14。( )
11. 火花塞积炭后,次级电压将显著增强。( )
12. 电子点火系统的优点之一是点火电压高、能量大。( )
13. 电子点火系统是指利用晶体管或晶闸管做开关,控制点火线圈次纸电流通断的点火系统。( )
14. “DLI” 表示是无分电器点火系统。( )
15. 点火霍尔信号发生器输出的是脉冲波。( )
16. 正常工作时,发动机每转两周,各缸轮流点火1 次。( )
17. 前照灯采用屏幕检验法时只能检验前照灯的照射方向,而无法检验其发光强度。( )
18. 转向信号灯的闪光器闪光频率一般为80 次/分钟-150 次/分钟。( )
19. 采用喇叭继电器是为了延长喇叭按钮的使用寿命。( )
20. 机动车装有远光和近光双光束灯时,以调整远光光束为主。( )
21. 永磁式电动刮水器的自动定位是靠定位片及电枢的发电制动而实现制动定位的。( )
22. 所有重复性保险装置在电路短路或过载时会自动断开电路,断开后又会自动恢复。( )
23. 电动车窗使用的电动机是单向的。( )
24. 电动后视镜一般装有两套电动机和驱动器。( )
25. 从空调压缩机出来的是低温高压气态制冷剂。( )
26. 从蒸发器出来的是高温低压气态制冷剂。( )
27. 空调用R12 氟利昂制冷剂已被淘汰,目前广泛使用R134a。( )
28. 在上长坡时,应考虑暂时关闭汽车空调。( )
29. 用歧管压力表组测量空调系统压力时,应等待压力表指示稳定后再读取压力值。( )
30. 电路图是用来表示电路中的实物及电路连接情况的图。( )
31. 短路是指电路中某处断开,不成通路的电路。( )
32. 在标准画法的线路图中,开关的触点处于断开状态。( )
33. 阅读电路图时,应掌握回路原则,电流由电源正极流出,经用电设备后流回电源负极。( )
34. 拆卸蓄电池时,应先拆下正极接线。( )
35. 连接蓄电池与启动机的导线以工作电流的大小来选定。( )
36. 汽车安全气囊是一种被动安全系统。( )
37. 碰撞传感器用于感知车辆的车身加速度。( )
38. CAN 总线的意思是控制单元通过网络交换数据。( )
39. 各控制单元对所连接的CAN 总线进行实时监测,如出现故障该控制单元会存储故障码。( )
40. 如果多个控制单元要同时发送各自的数据,具有最高优先权的数据首先发送。( )
四.简答题
1. 什么叫点火提前角?点火过迟、过早有何影响?
2. 蓄电池的检测项目有哪些?如何检测?
3. 写出铅酸蓄电池充放电过程的总的化学反应方程式。
4. 启动机运转缓慢,发动机不能启动的可能原因有哪些?如何排除?
5.简述交流发电机不充电的原因。如何诊断排除?
6.控制的自动空调有哪些传感器?各有何作用?
7.使用安全气囊的注意事项。
8.简述三相同步交流发电机的组成及主要零部件的作用?
五.分析论述题
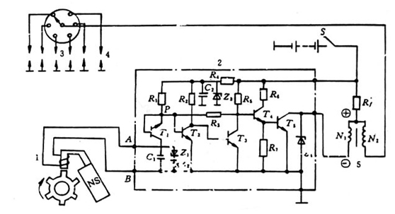
1.以磁感应式无触点电子点火系统电路图(见下图)为例,分析其工作过程。
1. 简述线路分析的一般原则。
习题参考答案
一、单项选择题
答案:
1.C 2.D 3.D 4.A 5.B 6.B 7.D 8.C 9.D 10.B 11.B 12.B 13.B 14.A 15.C
16.D 17.B 18.C 19.B 20.D 21.B 22.C 23.D 24.C 25.A 26.C 27.D 28.C
29.C 30.A 31.A 32.B 33.A 34.B 35.C 36.D 37.D 38.B 39.C 40.A
二、多项选择题
答案:
1.BCD 2.ABC 3.ABC 4.ACDE 5.BCD 6.ABC 7.ABDE 8.ABCDE 9.ABCDE
10.ABCE 11.ABCDE 12.ABCD 13.ABCD 14.ABCD 15,.ABCD 16.ABCD 17.ABCDE 18.AD 19.ABC 20.ABCD 21.AB 22.AD 23.ABCD 24.ACD 25.BCD
26.BC 27.BD 28.BCD
三、判断题
答案:
1.× 2.√ 3.√ 4.√ 5.× 6.× 7.× 8√ 9.× 10.√ 11.× 12.√ 13.√
14.√ 15.√ 16.√ 17.× 18.× 19.√ 20.√ 21.√ 22.√ 23.× 24.√ 25.×
26.× 27.√ 28.√ 29.√ 30√ 31.× 32.√ 33.√ 34.× 35.√ 36.√ 37.√
38.√ 39.√ 40.√
四、简答题
答案:
1.答:从火花塞发出电火花开始到活塞到达上止点为止,在这暂短的过程中曲轴所转过的角度称为点火提前角。
如果点火过迟,在活塞到达上止点时才点火,则混合气一面燃烧,活塞一面下行,即燃烧过程在容积增大的情况下进行,同时炽热的气体与汽缸壁接触的面积增加,热传导损失增大,因而转变为有效功的热量相对减小,气体最高压力降低,从而导致发动机过热,功率下降。
如果点火过早,由于混合的燃烧完全在压缩冲程进行,汽缸内压力急剧升高,在活塞到达上止点之前即达到最大,使活塞受到反冲,阻止活塞继续向上运动,不仅使发动机的功率降低,还有可能引起爆震运动的零件和轴承加速损坏,甚至发动机报废。
2.答:为了及时发现蓄电池使用中的内在故障,汽车每行驶1000km. 或冬季行驶10 天~15 天,夏季行驶5 天~6 天时,都应对蓄电池做以下检查:
(1)电解液液面高度的检查
(2)电解液密度的检查
(3)用高率放电计测量放电电压
(4)蓄电池开路电压的检查。
(5)检测启动性能。蓄电池充足电,在温度为(25±5)° 条件下,以启动电流连续放电5s 后,端电压应大于或等于9.6V 。
3.答:充放电过程的总的化学反应方程式为:
正极板负极板 电解液 正负极板电解液
PbO2+ Pb+ 2H2S042PbS04+ 2H20
4.答:可能原因:
(1)蓄电池电量不足。
(2) 温度过低。
(3)蓄电池电缆尺寸过小。
(4) 启动机有故障。
(5) 发动机有机械故障。
排除方法:
(1)检查蓄电池。
(2) 必须将蓄电池充电、发动机线路和启动机技术状态必须良好。
(3) 安装合适的电缆。
(4) 测试启动机。
(5) 检查发动机。
5.答:交流发电机不充电的故障原因:
(1)发电机传动带过松或严重打滑。
(2) 发电机电枢或磁场接线柱松脱、过脏、绝缘损坏或导线连接不良。
(3)发电机内部故障。滑环绝缘击穿,定子或转子线圈短路、断路,电刷在电刷架内卡滞,
整流器损坏等。
(4) 充电指示灯接线搭铁。
故障的诊断与排除:
(1)检查发电机传动带是否过松或存在严重打滑现象。若过松应按规定重新调整:如果沾
有油污造成打滑,应清洗带轮井更换传动带。
(2) 检查各连接线连接是否正确、牢固,有无断路或短路现象,不符合要求时应重新连接好。
(3)上述检查符合要求时,表明故障在发电机内部,应检查电刷是否在电刷架内卡滞或与
集电环接触不良:拆下调节器测量发电机及调节器各接线柱间的电阻值,检查发电机定子及转子绕组、整流元件等是否断路、短路或搭铁等,并视情况予以修复。
6.答:(1)车内温度传感器,可检测车厢内空气的温度,并将温度信号输入ECU。
(2)车外温度传感器,检测车外周围的空气温度,并把温度信号输入到空调ECU。
(3)空调蒸发器出口温度传感器,检测蒸发器表面温度。
(4)空调温度传感器,主要用于可变容量压缩机系统上,它根据汽车制冷装置的状况控制压缩机的工作状态,从而提高压缩机的工作效率。
(5)水温传感器,检测发动机暖风装置热交换器的水温,并将水温信号输送给空调ECU。
(6)日照传感器,可把日照射能量的变化转换为电流的变化,并将信号输入空调ECU。
(7)制冷剂流量传感器,用于检测空调制冷剂流量。
(8)烟雾传感器,检测烟雾通过空调ECU可使空气变换器在有烟雾时自动运转,排除烟雾,没有烟雾时自动停止工作。
(9)湿度传感器主要有热敏电阻式和结露式两种。
①热敏电阻式温度传感器,热敏电阻式湿度传感器可用于汽车风窗玻璃的防霜和自动空调车内相对湿度的检测。
②结露式传感器,可用于检测车窗玻璃结露,当处于结露状态时, ECU 按传感器信号使汽车空调以除霜方式工作,从而保持车内乘员的良好视野。
7.答:由于安全气囊系统结构较为复杂、工作要求高,而工作时机又极少,因此在使用应特别注意。否则,可能导致系统意外,或者由于误操作造成安全气囊不起作用,造成经济损失和人员伤害。使用中应注意的事项如下z
(1)装有安全气囊的车辆尽可能不要高速驾驶,任何安全设备都无法保护高速中的撞击。
(2) 切勿在气囊罩盖上或周围放置物件,特别是在安全气囊的弹射出口更不能放置杂物,
因为在气囊充气爆发时,这些小东西就有可能在气囊爆发的带动下像子弹一样射向乘员的身
体。
(3)驾驶时必须使用安全带,即使装有安全气囊的车辆也必须与安全带配合,这样在事
故中才能充分发挥其作用,不要误认为有了安全气囊,就可以不系好安全带。
(4) 注意坐姿,不要靠着座椅的边缘,也不能太靠近方向盘和仪表盘,驾驶者应将座位
尽量向后移,距离的标准当然是以能够舒适地控制汽车为准,以便有足够空间使安全气囊在发生意外扩张后充分发挥其保护作用。
(5) 在装有安全气囊的前排座椅上,不许使用面向后方的儿童座椅,应尽可能给儿童配
备专用座椅。
(6) 己发生过碰撞且安全气囊已经充气张开的安全气囊、控制电脑、车前传感器、中央
传感器、安全带张紧器等均不可重复使用,必须更换。
(7) 安全气囊及安全带张紧器上既不能沾油和水,也不能涂润滑脂,更不可用任何类型
的清洗剂清洗。
(8) 配有防侧撞气囊的车辆不可任意加装配件,以免安全气囊弹不出来,也不能加装普通椅套,必须选用原厂的专用椅套。
(9) 一般汽车的安全气囊在汽车以20km/h以上的速度正面碰撞刚性物体,如墙体或两车迎面对撞时才起作用,若正面碰撞时速度低于20km/h或汽车遭受侧面碰撞以及后方碰撞,侧翻时气囊将不起作用,不要认为只要发生碰撞,安全气囊就一定开启。
(10) 开车时要注意检查安全气囊,打开点火开关后,自动诊断装置会开启指示灯6s~ lOs ,然后熄灭,如果安全气囊指示灯不亮,闪烁不定或持续亮着,则说明安全气囊有故障,应立即进厂检修。
8.答:三相同步交流发电机主要由转子、定子、整流器、前后端盖、风扇及皮带轮等组成。
(1) 转子是三相同步交流发电机产生旋转磁场的部分。
(2) 定子是三相同步交流发电机产生三相交流电的部件。
(3) 整流器将三相绕组产生的交流电转变为直流电向外输出。
(4) 前后端盖是支撑转子、安装和封闭内部构件。
(5) 风扇与皮带轮一起旋转,使空气高速流经发电机内部进行强力通风冷却。
皮带轮是利用皮带将发动机的转矩传给转子。
五、分析论述题
答案:
1.答:接通点火开关时的基本工作原理如下:
(1)当发动机未工作,传感器的信号转子不动时,传感器无输出信号,点火线圈初级绕组
有电流流过。此时,电流从蓄电池的"+"极→点火开关→R4→R1 →P 点→T1 (b. c) →A 点→传感线圈→B 点→回到蓄电池的"- "极(搭铁〉。于是电路中的P 点电位较高,使T2 管的发射极加正向电压而导通,故其集电极电位降低到约等于O. 使T3 截止。T3 截止时,蓄电池通过R5向T4提供偏流使T4导通,此时,R7上的电压加到T5(b, c) ,使T5导通。这样初级电路接通:即电流从蓄电池"+"极→点火开关→附加电阻Rf →点火线圈初级绕组N1 → T5 (b. c) →搭铁回到蓄电"- "极。
(2) 当传感线圈输出"+"信号时(即A 端为"+"、B 端为"- "时).由于T1 的集电极加
反向偏压而截止(注意=此时的T1 与二极管的反向截止相同),故P 点仍保持较高的电位,使
T2 导通。于是, T3截止,T4和T5 导通,点火线圈初级绕组仍有电流通过。
(3)当传感线圈输出" 一"信号时(即A 端为" 一"、B 端为"十"时), T 1 管则加正向电
压而导通。此时P 点电位降低,于是T2 截止。当T2 截止时,蓄电池通过R2 向T3 提供偏流,使T3 导通, T3 和T4 立即截止,点火线圈初级电流被切断,次级绕组N2 产生高电压。此电压再由分电器分配至各缸火花塞使之跳火,点燃可燃混合气。
每当传感器的信号转子转动一周,各个汽缸便轮流点火一次。
2.答:汽车总线路由于各种车型的结构形式、电气设备的数量、安装位置、接线方法不同而各有差异,但其线路一般都遵循以下基本原则:
(1)汽车线路均为单线制
单线连接是汽车线路的特殊性,它是指汽车上所有电气设备的正极均用导线相互连接,俗称火线;而所有的负极则分别与军架金属部分相连,即搭铁。任何一个电路中的电流都是从电源的正极出发经导线流入用电设备后,由搭铁的负极通过车架金属流回电源负极而成回路。这种接线方式己形成汽车电器线路设计安装的制度,故称单线制。
(2) 汽车线路为直流并联电路
汽车上的两个电源之间以及与所有的用电设备之间,都是正极接正极,负极接负极,这与一般直流并联电路完全相同。
(3)汽车线路为负极搭铁
一般汽车线路都是负极搭铁。负极搭铁只对火花塞点火有利,对车架金属的化学腐蚀较轻,对无线电干扰小。但仍有少数汽车采用正极搭铁方式,使用时必须注意。
(4) 电流表串联在电源电路中,以测量蓄电池充、放电流的大小。因启动机工作时间短、
启动电流大,所以启动机电流不经过电流表。
(5) 各车均装有保险装置,以防止短路而烧坏电缆和用电设备。
(6) 汽车线路有共同的布局
无论哪一种类型、哪一个国家生产的汽车,各种电气设备均按其用途安装于相同的位置。
这样就形成了汽车电器线路的走径和布局的共性,即使有个别辅助电器不同,也仅仅是极少数。
(7) 汽车线路有颜色和编号特征
汽车上电气设备一般有几十种,虽然采用单线制,但线路还是很多。为了便于区别各线路的连接,汽车所用的低压线必须采用不同颜色的单色或双色导线,并在每根导线上编号。
(8) 为不使全车电线零乱,以便安装和保护导线的绝缘,应将导线做成线束,一辆汽车可以有多个线束。
(9) 汽车电器线路由各独立电系组成。


